Conveyor System Options

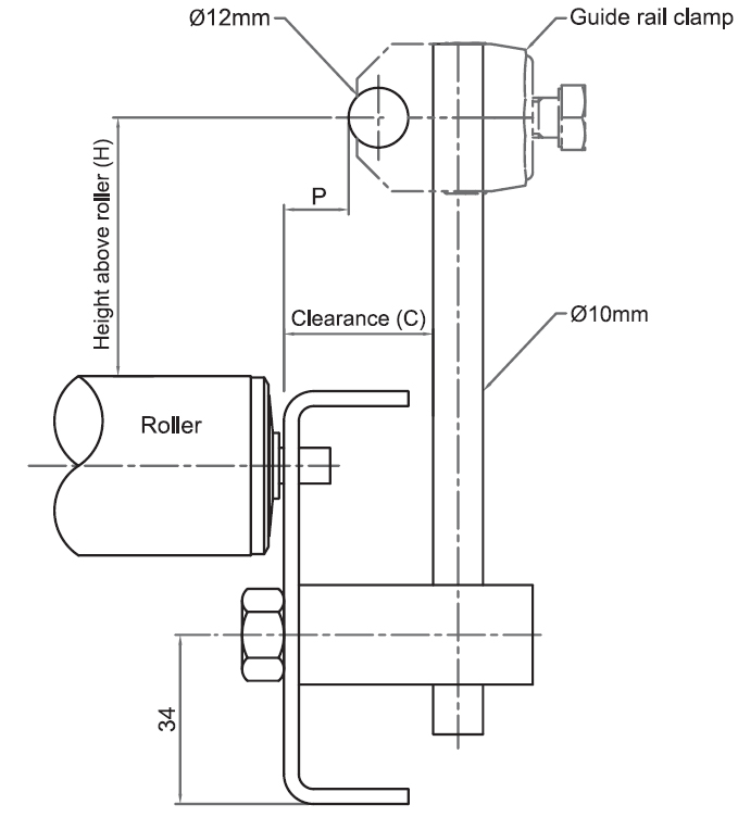
Guide Rail

Guiderails keep your products where you want them to be – avoiding waste, protecting staff and keeping everything moving smoothly. These are available for most Dyno Conveyors.

Low friction options
- Ultraslip
- Miniroll
- Skatewheels

Features, Benefits & Uses

Specifications

Downloads

Video Gallery

LET'S DISCUSS YOUR CONVEYOR NEEDS

Contact our team to discover a conveyor solution that really works for you!